Van hòa trộn nhiệt độ M3F của hãng Clorius Controls – Giải pháp điều khiển nhiệt độ đáng tin cậy
Van hòa trộn nhiệt độ M3F là một trong những sản phẩm nổi bật của hãng Clorius Controls (Đan Mạch, hiện sản xuất tại Ba Lan), chuyên dùng để điều chỉnh và duy trì nhiệt độ chính xác trong các hệ thống công nghiệp, sưởi ấm trung tâm, nhà máy nhiệt điện, tàu biển và nhiều ứng dụng hàng hải.
Đặc điểm nổi bật của van M3F
Van M3F là loại van 3 ngả (3-way control valve) được thiết kế để hoạt động như van trộn (mixing valve) hoặc van phân dòng (diverting valve). Điểm mạnh lớn nhất là khả năng hoạt động hoàn toàn cơ học tự động khi kết hợp với bộ điều nhiệt (thermostat) mà không cần nguồn điện hay khí nén – rất phù hợp với môi trường khắc nghiệt hoặc nơi cần độ tin cậy cao.
Một số ưu điểm chính:
- Thân van làm từ gang xám (grey cast iron GG) hoặc gang cầu (GGG), chịu áp suất PN16
- Kích thước từ DN20 đến DN150 (có phiên bản lớn hơn tùy dòng)
- Vật liệu trục và đĩa: thép không gỉ và đồng thau nhôm (gun metal), chống ăn mòn tốt
- Phạm vi điều chỉnh nhiệt độ rộng (thường từ 0–160°C tùy loại thermostat)
- Đặc tính lưu lượng: gần tuyến tính hoặc bậc hai, giúp điều khiển ổn định
- Độ bền cao, bảo trì dễ dàng nhờ thiết kế đơn giản
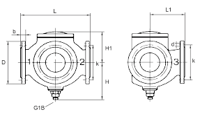
Dưới đây là hình ảnh thực tế và sơ đồ của van M3F:
(Ảnh trên là hình ảnh chính thức từ catalogue Clorius Controls – sản phẩm van M3F 3 ngả với các góc nhìn chi tiết)
Nguyên lý hoạt động
Van M3F hoạt động dựa trên nguyên lý nhiệt nở của chất lỏng (hoặc sáp) trong bộ cảm biến nhiệt độ (thermostat). Khi nhiệt độ chất lỏng thay đổi:
- Bộ cảm biến sẽ giãn nở hoặc co lại → truyền lực qua ống mao dẫn đến xi lanh điều khiển
- Xi lanh đẩy/ kéo trục van → điều chỉnh tỷ lệ mở giữa cổng nóng (thường là cổng B) và cổng lạnh (cổng A) để tạo ra dòng trộn ở cổng chung AB đạt đúng nhiệt độ cài đặt
Ví dụ ứng dụng điển hình:
- Trộn nước nóng và nước lạnh để cấp nước sinh hoạt an toàn (ngăn bỏng)
- Duy trì nhiệt độ nước hồi về nồi hơi trong hệ thống sưởi trung tâm
- Điều chỉnh nhiệt độ dầu bôi trơn trong máy nén khí, động cơ tàu biển
Dưới đây là một số hình ảnh minh họa cấu tạo và cách lắp đặt van hòa trộn Clorius (bao gồm dòng M3F):

(Ảnh cấu tạo chi tiết van hòa trộn nhiệt Clorius – rõ ràng thấy các cổng A, B, AB và bộ điều nhiệt)
Ứng dụng thực tế tại Việt Nam
Tại Việt Nam, van M3F Clorius rất phổ biến trong:
- Hệ thống sưởi ấm khu công nghiệp
- Nhà máy thực phẩm, dệt nhuộm, cao su
- Hệ thống nước nóng mặt trời công nghiệp (không dùng điện)
- Tàu biển và giàn khoan (chứng nhận marine)
-
Van hòa trộn nhiệt độ M3F của hãng Clorius Controls – Giải pháp điều khiển nhiệt độ đáng tin cậy
